Aktuelle Versionen sind:
H-Brücke V2.8, alternativ BTS7960B-H-Brücken (eBay), siehe
Hinweise.
ab Hauptplatine V2.6 (auch für vereinfachten Anschluss von BTS-H-Brücken)
Platine der H-Brücke H2.8

H-Brücke mit montiertem Kühlkörper.
Wichtig: Isolationspads und Wärmeleitpaste nicht vergessen!

Hier wurde eine unter der Platine liegende
Aluplatte (Chassis) als Kühlkörper genutzt.
Angepresst werden die MOSFETs durch eine kleine, aufgeschraubte
3mm-Aluplatte.
Wichtig: Auch hier Isolationspads und Wärmeleitpaste nicht
vergessen!

Die Doppelplatine für zwei H-Brücken kann
getrennt werden.
Bei einer der H-Brücken wurden bereits die Leiterbahnen wegen
der zu erwartenden hohen Ströme verstärkt.
Hinweise zum Befestigen dicker Kabel in
Kabelklemmen:
1. Blanke Kupferlitze spleist auf und ist schwer
in die Klemme einzustecken.
2. Verlötete Litze ist weich und verliert den
Kontakt und drückt sich breit und ist schwer in die Klemme einzustecken.
3 - 5. Anlöten eines Kupferdrahtes überdeckt mit
Schrumpfschlauch vermeidet die genannten Nachteile.

Bild 1
Bild 2
Bild 3
Bild 4
Bild 5
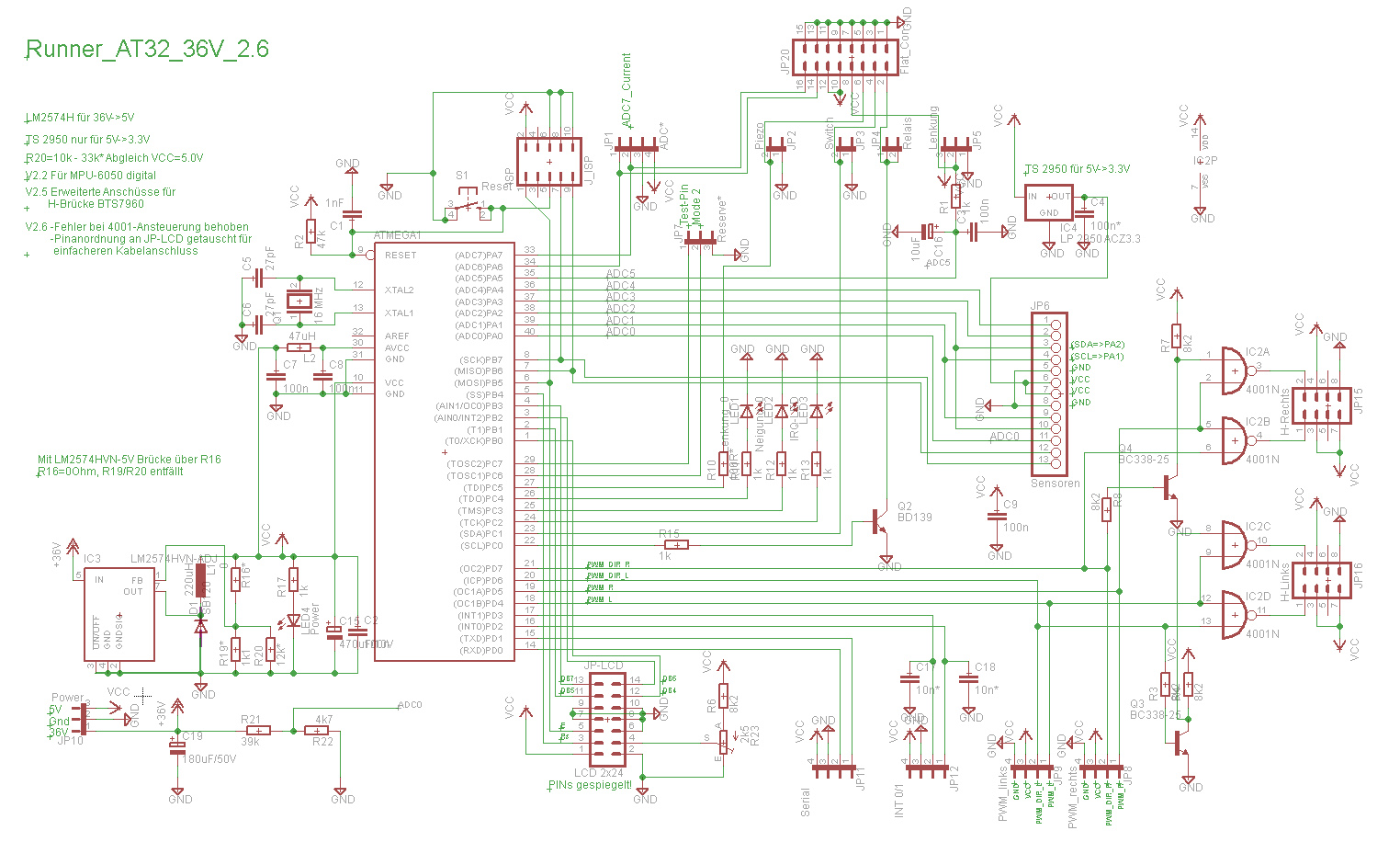
Hauptplatine Version V2.6 zum Betrieb mit 24 Volt
- 36 Volt
Diese Weiterentwicklung der Hauptplatine
verzichtet auf
alle Bauteile, die zur Auswertung der analogen Sensoren
notwendig waren.
Der freie Platz erlaubt die Ergänzung eines C-MOS-Bausteines
CD4001, welcher auf jeder H-Brücke untergebracht war.
Mit zwei zusätzlichen Transistoren ist nun die vollständige
Logic für die Ansteuerung der H-Brücken auf der Hauptplatine
untergebracht. Entsprechende Teile entfallen auf den Platinen
der H-Brücken.
Die Version 2.6 berücksichtigt eine Änderung des LCD-Anschlusses
und der Kontrasteinstellung.

Die
zugehörige Platine wurde um eine zweireihige Stecherleiste erweitert,
so dass der Anschluss der H-Brücken, Schalter, Lenkung, Relais und Buzzer
jetzt vereinfacht durch einen Stecker mit Flachbandkabel erfolgt.
Der Baustein CD4001 und auch ein freies Punktraster für Erweiterungen
sind zu erkennen.

Die bestückte Hauptplatine mit
Flachbandkabel zu den H-Brücken und
sonstigen Anschlüssen.
-> Beschreibung der älteren Hauptplatine Version V2.21
wurde entfernt.
Dieses
Video zeigt den Test der Hauptplatine und einer H-Brücke mit dem
Testprogramm.
Das verbesserte Testprogramm wurde zwischenzeitlich in das Hauptprogramm
integriert.
Alle I-O-Anschlüsse des Atmega 32 können benutzt werden, damit ist
die Platine auch für
andere Projekte geeignet.
Der
Aufbau erfolgt ohne SMD-Teile, so dass die Selbstbestückung problemlos möglich ist.
Platinen (80mm x 100mm) können preiswert im Shop erworben werden.
Alle Platinenversionen können zusammen mit dem
digitalen Sensor MPU-6050 verwendet werden.